Продажа ЖБИ в Пущино и Московской области
+7 (495) 118-92-43
Ежедневно: 8:00 - 21:00
0 0

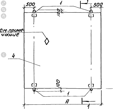
ТУ Плита днища Д-45-30

Yandex.Market
  • В наличии 146 шт
    В среднем на нашем предприятии производится от 100 до 500 ЖБИ изделий в день.
  • Контроль качества на каждом этапе
    Строгое соблюдение пропорций ЖБИ изделий на предприятии является для нас очень важным аспектом.
  • Производство от 1 дня
Цена за:
17445 ₽

ТУ Плита днища Д-45-30 предназначена для использования в качестве днища в железобетонных конструкциях. Она обладает высокой прочностью и устойчивостью к воздействию различных нагрузок. Плита имеет стандартные размеры и габариты, что облегчает ее установку и соединение с другими элементами конструкции.

Объём, м3 2.63
Масса, т 6.58
Длина, мм 5000
Ширина, мм 3500
Высота, мм 150
Категория Плиты днища
ГОСТ 8020-90, Серия 3.900.1-14, Типовой проект 901-09.11.84
Единица измерения шт.
Маркировка Д-45-30
Внутренний диаметр, мм 3500
Диаметр наружный, мм 5000
Марка бетона М 200 (В 15)
Способ доставки MAX длина груза, м Стоимость доставки
Машина - до 1,5 тн до 18 м3 4 от 2 200 ₽
Машина - до 2,5 тн до 32 м3 6 от 3 000 ₽
Машина - до 5 тн до 35 м3 6 от 4 000 ₽
Машина - до 10 тн до 37 м3 8 от 6 000 ₽
Машина - до 20 тн до 80 м3 13,5 от 10 500 ₽
Манипулятор до 5 тн 6 от 7 000 ₽
Манипулятор до 10 тн 8 от 13 000 ₽
Манипулятор до 20 тн 14 от 16 000 ₽
Наименование Характеристики Цена
Бетонное кольцо с дном КСД 12-10

Маркировка : КСД 12-10

Длина, мм : 1320

Ширина, мм : 990

Высота, мм : 1200

3 930
ТУ Плита днища ПН 12-1

Маркировка : ПН 12-1

Длина, мм : 1400

Высота, мм : 120

2 060
КСД 7-9ч с четвертью

Маркировка : КСД 7-9ч

Длина, мм : 840

Ширина, мм : 700

Высота, мм : 900

1 870
КСД 10-10ч с четвертью

Маркировка : КСД 10-10ч

Длина, мм : 1160

Ширина, мм : 1000

Высота, мм : 1000

2 660
Бетонное кольцо с дном КСД 7-10

Маркировка : КСД 7-10

Длина, мм : 840

Ширина, мм : 700

Высота, мм : 1000

1 915
Бетонное кольцо с дном КСД 15-10

Маркировка : КСД 15-10

Длина, мм : 1680

Ширина, мм : 1500

Высота, мм : 1000

4 960
Бетонное кольцо с дном КСД 20-6

Маркировка : КСД 20-6

Длина, мм : 2200

Ширина, мм : 2000

Высота, мм : 600

8 790
ТУ Плита днища ПД-25

Маркировка : ПД-25

Длина, мм : 2750

Ширина, мм : 2750

Высота, мм : 150

790
Бетонное кольцо с днищем КЦД 25-9

Маркировка : КЦД 25-9

Длина, мм : 900

Ширина, мм : 2500

Высота, мм : 2500

10 880
Бетонное кольцо с днищем КЦД 10-9

Маркировка : КЦД 10-9

Длина, мм : 900

Ширина, мм : 1000

Высота, мм : 1000

2 460
Бетонное кольцо с дном КСД 7-9

Маркировка : КСД 7-9

Длина, мм : 840

Ширина, мм : 700

Высота, мм : 900

1 820
Бетонное кольцо с дном КСД 15-9

Маркировка : КСД 15-9

Длина, мм : 1680

Ширина, мм : 1500

Высота, мм : 900

4 635
ТУ Плита днища Д-40-40

Маркировка : Д-40-40

Длина, мм : 4500

Ширина, мм : 4500

Высота, мм : 150

20 160
ТУ Плита днища Д-45-35

Маркировка : Д-45-35

Длина, мм : 5000

Ширина, мм : 4000

Высота, мм : 150

19 900
ТУ Плита днища Д-45-30

Маркировка : Д-45-30

Длина, мм : 5000

Ширина, мм : 3500

Высота, мм : 150

17 445
ТУ Плита днища Д-35-30

Маркировка : Д-35-30

Длина, мм : 4000

Ширина, мм : 3500

Высота, мм : 150

13 925
ТУ Плита днища Д-35-35

Маркировка : Д-35-35

Длина, мм : 4000

Ширина, мм : 4000

Высота, мм : 150

15 920
ТУ Плита днища Д-40-25

Маркировка : Д-40-25

Длина, мм : 4500

Ширина, мм : 3000

Высота, мм : 150

13 465
ТУ Плита днища Д-25-25

Маркировка : Д-25-25

Длина, мм : 3000

Ширина, мм : 3000

Высота, мм : 120

7 165
ТУ Плита днища Д-30-25

Маркировка : Д-30-25

Длина, мм : 3500

Ширина, мм : 3000

Высота, мм : 150

10 480
ТУ Плита днища Д-35-20

Маркировка : Д-35-20

Длина, мм : 4000

Ширина, мм : 2500

Высота, мм : 120

7 960
ТУ Плита днища Д-25-25/2

Маркировка : Д-25-25/2

Длина, мм : 3000

Ширина, мм : 1500

Высота, мм : 120

3 585
КСД 25-9

Маркировка : КСД 25-9

Длина, мм : 2740

Ширина, мм : 2500

Высота, мм : 890

22 720
ТУ Плита днища ПН 10-2

Маркировка : ПН 10-2

Длина, мм : 1200

Высота, мм : 100

3 740
ТУ Плита днища ПН 10-1

Маркировка : ПН 10-1

Длина, мм : 1200

Высота, мм : 100

3 740
ТУ Плита днища ПН 20-1

Маркировка : ПН 20-1

Длина, мм : 2200

Высота, мм : 120

5 380
ТУ Плита днища ПН 20-2

Маркировка : ПН 20-2

Длина, мм : 2200

Высота, мм : 120

4 905
КСД 7-10ч с четвертью

Маркировка : КСД 7-10ч

Длина, мм : 840

Ширина, мм : 700

Высота, мм : 1000

1 965
КСД 15-6ч с четвертью

Маркировка : КСД 15-6ч

Длина, мм : 1680

Ширина, мм : 1500

Высота, мм : 600

3 875
КСД 20-6ч с четвертью

Маркировка : КСД 20-6ч

Длина, мм : 2200

Ширина, мм : 2000

Высота, мм : 600

8 835
КСД 20-9ч с четвертью

Маркировка : КСД 20-9ч

Длина, мм : 2200

Ширина, мм : 2000

Высота, мм : 900

10 365
КСД 20-10ч с четвертью

Маркировка : КСД 20-10ч

Длина, мм : 2200

Ширина, мм : 2000

Высота, мм : 1000

10 955
Бетонное кольцо с дном КСД 10-10

Маркировка : КСД 10-10

Длина, мм : 1160

Ширина, мм : 1000

Высота, мм : 1000

2 605
Бетонное кольцо с дном КСД 15-6

Маркировка : КСД 15-6

Длина, мм : 1680

Ширина, мм : 1500

Высота, мм : 600

3 835
Бетонное кольцо с дном КСД 20-5

Маркировка : КСД 20-5

Длина, мм : 2200

Ширина, мм : 2000

Высота, мм : 500

8 150
Бетонное кольцо с днищем КЦД 25-10

Маркировка : КЦД 25-10

Длина, мм : 1000

Ширина, мм : 2500

Высота, мм : 2500

11 405
Бетонное кольцо с днищем КЦД 15-9

Маркировка : КЦД 15-9

Длина, мм : 900

Ширина, мм : 1500

Высота, мм : 1500

4 635
Бетонное кольцо с днищем КЦД 12-10

Маркировка : КЦД 12-10

Длина, мм : 1000

Ширина, мм : 1200

Высота, мм : 1200

3 175
Бетонное кольцо с днищем КЦД 7-9

Маркировка : КЦД 7-9

Длина, мм : 900

Ширина, мм : 700

Высота, мм : 700

1 820
Бетонное кольцо с дном КСД 10-9

Маркировка : КСД 10-9

Длина, мм : 1160

Ширина, мм : 1000

Высота, мм : 900

2 460
Бетонное кольцо с дном КСД 20-9

Маркировка : КСД 20-9

Длина, мм : 2200

Ширина, мм : 2000

Высота, мм : 900

10 335
Плита днища Д-45-40

Маркировка : Д-45-40

Длина, мм : 5000

Ширина, мм : 4500

Высота, мм : 150

21 350
Никита Ильин
20.01.2025
Доставили вовремя, блоки ровные, без сколов. Монтаж прошёл без нареканий, ребята на участке хвалят.
Александр Шубин
20.01.2025
Тут нашлись все необходимые размеры, что очень упростило жизнь. Ребята выручили по срокам, задержек не было. Качество, в принципе, неплохое: арматура норм, плиты без трещин
Даниил Макаров
09.01.2025
У нас был крупный заказ на спортивный объект, требовались балки повышенной несущей способности. Здесь без проблем подобрали нужный класс бетона. Вопреки страхам, удалось уложиться в бюджет.
Данила Жданов
14.01.2025
Строим крупную автостоянку, требовались дорожные плиты с высоким запасом прочности. Тут нашли нужную марку, цена устроила. Доставили оперативно, разгрузка без проблем. Плиты ровные, стыкуются плотно, так что надеюсь прослужат долго
Гарантия качества
Заменим дефектный материал или вернём деньги
Условия возврата
Доставка и самовывоз
Вы можете заказать доставку по МСК и МО или оформить самовывоз с нашего склада в Пущино
Условия доставки и самовывоза
Оптово и розничная продажа
Мы продаём товары как в розницу, так и оптом. В зависимости от объёмов заказа мы предоставляем клиентам персональные скидки

Выберите удобный способ оплаты

Оплата банковской картой
Наличными на объекте
Безналичный расчёт

Адреса

Режим работы складов: 8:00 - 21:00
Офис:
улица Строителей, 7, Пущино
График работы офиса:
Ежедневно: 8:00 - 21:00
Номер телефона контактного центра:
+7 (495) 118-92-43
Почта для связи:
stroym@zbi-500.ru